page loading
hotline

+36 (77) 522-76624/7 Információszolgálat

Utolsó darabok

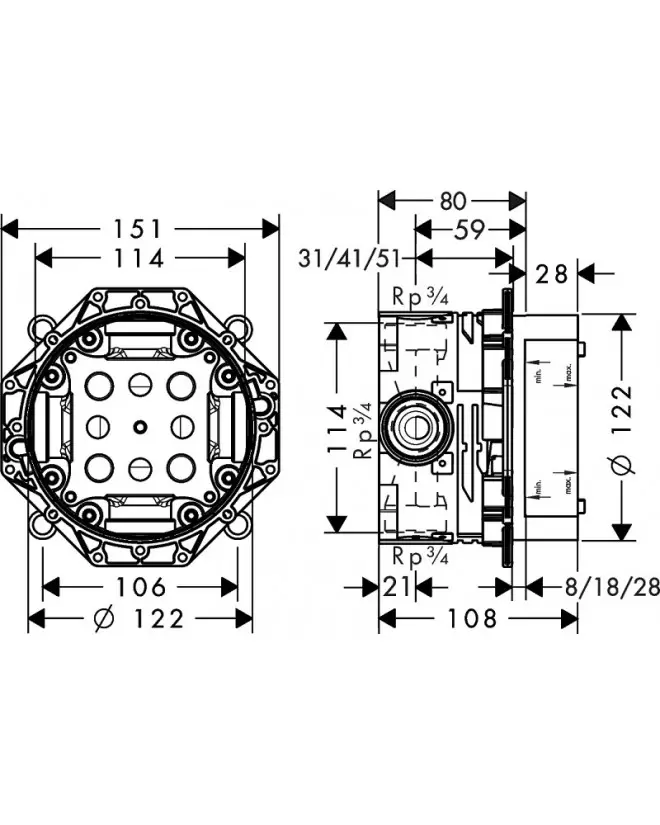
iBox universal alaptest DN15/DN20+

36 426 Ft

Hansgrohe falsík alatti zuhany-, kád- és termosztát színkészlethez.

  • Márka: HANSGROHE
  • Cikkszám: HG 01800180
  • Mennyiségi egység: db

Bevezetése óta az iBox universal mindmáig az első és egyetlen olyan alapkészlet, amely valamennyi Hansgrohe és Axor alap- és termosztátos megoldáshoz használható.

S amilyen sokoldalúak az alkalmazási lehetőségei, épp olyan széleskörűek a jellemzői. Az iBox universal még nagyobb helyet, mozgásteret és tervezési szabadságot teremt a fürdőszobában, és gyorsan szerelhető. Az iBox universal kiemelkedő helyet foglal el a szaniterpiacon.

  • csatlakozómenet Rp ¾
  • körszimmetrikus forma
  • zajelválasztott szerelés
Rövid név:

iBox universal alaptest DN15/DN20+

Méretek:

147 x 147 x 110 mm

Súly:

1.2 kg

Gyártó:

HANSGROHE

Cikkszám:

HG 01800180

Mennyiségi egység:

db